面議
面議
| 品牌上海港儀閥門有限公司 | 有效期至長期有效 | 最后更新2022-11-21 04:44 |
| 瀏覽次數0 |
加工定制:
是
工作溫度:
常溫
連接形式:
法蘭
材質:
碳鋼
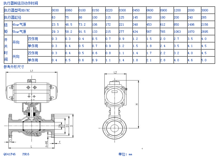
型號:
Q641F46
品牌:
上海港儀閥門



| 公司名 | 上海港儀閥門有限公司 | 經營模式 | |
|---|---|---|---|
| 注冊資本 | 未填寫 | 公司注冊時間 | 2004 |
| 公司所在地 | 上海 | 企業類型 | 企業單位 () |
| 保 證 金 | 已繳納 0.00 元 | ||
| 主營行業 | , | ||
| 主營產品或服務 | 電動調節閥、氣動調節閥、減壓閥、氣動蝶閥、電動蝶閥、氣動球閥、電動球閥、閘閥、止回閥、截止閥等 | ||

面議
面議
面議
面議
面議