面議
面議
面議
面議
面議
面議
面議
面議
| 品牌鄭州中博耐火材料有限公司 | 有效期至長期有效 | 最后更新2022-11-21 04:48 |
| 瀏覽次數0 |



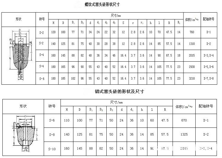
盛鋼桶用耐火制品包括盛鋼桶襯磚、座磚、袖磚、塞頭磚、鑄口磚。高溫鋼水由盛鋼桶注入鋼錠模內,在此過程中與鋼水接觸的耐火制品統稱鑄錠用耐火制品。中國冶標(YB/T5021-1993)規定盛鋼桶內鑄鋼耐火磚包括袖磚、鑄口磚、塞頭磚、座磚。材質可選用黏土質,高鋁質,莫來石質,免燒高鋁質、鋁碳質(水墨質)等。袖磚是套在金屬塞棒芯竿外面的中空耐火磚,保護金屬芯竿免受高溫鋼水的直接侵蝕和作用,確保金屬塞棒的鋼性以控制注流。每個袖磚兩端分別有陰陽界面,以確保界面密閉,鋼水不會流入。袖磚一般為黏土質。塞頭磚是位于塞棒最下方與鑄口磚配合接觸起到控制注流開關作用的耐火磚,不澆注時它堵住水口保證不漏鋼。澆注時提高塞棒,使塞頭磚和水口磚產生間隙,鋼水從鑄口流出。控制塞棒的高低,可調節鋼水的流出量。塞頭磚可以是黏土質、高鋁質、免燒高鋁質及鋁碳質(石墨質)。鑄口磚也叫水口磚,水口磚鑲嵌在盛鋼桶底部座磚中的耐火制品,鋼水流出口。不澆注時水口磚和塞頭磚呈線接觸,保證不漏鋼。水口磚上口是弧面形,便于開啟、關閉水口及減小鋼水流動的阻力,下段是直線段以穩定注流。其材質與塞頭磚相近,可采用黏土質、高鋁質、免燒高鋁質、鋁碳質(石墨質)鎂質。澆注沸騰鋼及高錳鋼時黏土質的水口易被侵蝕,故采用鎂質或高鋁質水口磚。鎂質水口耐侵蝕性強但導熱性也強,澆注中易產生結瘤。盛鋼桶襯磚是砌筑盛鋼桶的耐火制品,根據盛鋼桶設計可選用不同類型的襯磚,常用的有萬能弓形襯磚、萬能直形襯磚、直形襯磚、直形包壁磚、輻射形襯磚、單頭斜形襯磚、扇形襯磚等,材質有粘土質、高鋁質、莫來石質、免燒高鋁質等。















| 公司名 | 鄭州中博耐火材料有限公司 | 經營模式 | |
|---|---|---|---|
| 注冊資本 | 未填寫 | 公司注冊時間 | 2004 |
| 公司所在地 | 河南 | 企業類型 | 企業單位 () |
| 保 證 金 | 已繳納 0.00 元 | ||
| 主營行業 | 鍋爐輔機配件 , | ||
| 主營產品或服務 | 高鋁質耐火磚、粘土質耐火磚、鎂質耐火磚、冶金行業用耐火材料、各種異型磚、復合磚、澆注料、可塑料、耐火泥、保溫磚、輕質磚等耐火材料 | ||

面議
面議
面議
面議
面議